ACS709 Current Sensor Carrier -75A to +75A

Clearance notice: These older current sensors are on clearance at a discounted price and will be discontinued once remaining component stock is depleted.

Clearance notice: These older current sensors are on clearance at a discounted price and will be discontinued once remaining component stock is depleted.

This board is a simple carrier of Allegro’s bidirectional ±75A ACS709 Hall effect-based linear current sensor with overcurrent fault output, which offers a low-resistance (~1.1 mΩ) current path and electrical isolation. The sensor has optimized accuracy for currents from -37.5 A to 37.5 A, and the analog voltage output is linear for current magnitudes up to 75 A. The ratiometric output voltage is centered at VCC/2 and has a typical error of ±2%. It operates from 3 V to 5.5 V, so it can interface directly to both 3.3 V and 5 V systems.


Description

Overview

ACS709 current sensor carrier -75A to +75A back with dimensions.

This current sensor is a carrier board or breakout board for Allegro’s ACS709LLFTR-35BB-T Hall effect-based linear current sensor with overcurrent fault output; we therefore recommend careful reading of the ACS709 datasheet (1MB pdf) before using this product. The sensor has an operating voltage of 3 V to 5.5 V and an output sensitivity of 18.5 mV/A when Vcc is 3.3 V (or 28 mV/A when Vcc is 5 V). The following list details some of the sensor’s key features:

  • Optimised accuracy for bidirectional input current from -37.5 A to 37.5 A, with a linear sensing range from -75 A to 75 A (see warning note below for thermal limitations).
  • Conductive path internal resistance is typically 1.1 mΩ, and the PCB is made with 2-oz copper, so very little power is lost in the board.
  • Integrated shield greatly reduces capacitive coupling from current conductor to die and prevents offset drift in high-side applications.
  • Use of a Hall effect sensor means the IC is able to electrically isolate the current path from the sensor’s electronics, which allows the sensor to be inserted anywhere along the current path and to be used in applications that require electrical isolation.
  • 120 kHz bandwidth that can optionally be decreased by adding a capacitor across the board pins marked “FILT”.
  • High accuracy and reliability: typical total output error of 2% at room temperature with factory calibration, an extremely stable quiescent output voltage
  • Automotive-grade operating temperature range of -40°C to 150°C.
  • User-settable overcurrent threshold: FAULT pin output latches low when current exceeds the configured threshold for a duration that can be set through the addition of an external capacitor.

The pads are labelled on the bottom silkscreen, as shown in the picture above. The silkscreen also shows the direction that is interpreted as positive current flow via the +i arrow.

Note: The sensor’s extended -75 A to 75 A range should be limited to transient currents. In our tests, we found that the IC could tolerate 50 A for 20 seconds or 37.5 A for 150 seconds before exceeding its maximum temperature rating of 150°C. Therefore, unless you are taking special steps to keep the IC cool, we recommend limiting continuous currents to under 30 A. Even with a low conductive path resistance of 1.1 mΩ, the board can get hot enough to burn you when the current is in the tens of amps, and the IC does not feature any kind of over-temperature protection, so thermal issues should be taken into consideration for high currents.

ACS709 current sensor carrier pinout.

Using the sensor

Electrical connections

The only connections required to use this sensor are the input current (IP+ and IP-), logic power (VCC and GND), and the sensor output (VIOUT). All of the other pins are optional, as are the two external capacitors shown in the diagram to the right.

The sensor requires a supply voltage of 3 V to 5.5 V to be connected across the VCC and GND pads, which are labelled on the bottom silkscreen. The sensor outputs an analogue voltage that is linearly proportional to the input current. The quiescent output voltage is VCC/2 and changes by 28 mV per amp of input current (when VCC = 5 V), with positive current increasing the output voltage and negative current decreasing the output voltage. For an arbitrary input current i (in amps), the sensor’s output voltage can be more generally represented as:

VIOUT = (0.028 V/A * i + 2.5 V) * VCC / 5 V

The VZCR pin is the voltage reference output pin and can be used as a zero current (0 A) reference. It will be approximately equal to VCC/2 and lets you more accurately compute the current from the VIOUT output voltage.

The FILT pin lets you adjust the board’s bandwidth by adding a capacitor, CF, to ground (a ground pad has been added next to the FILT pin for convenience). Without any external filter capacitor, the bandwidth is 120 kHz. The datasheet provides more information on how the external filter capacitor affects bandwidth.

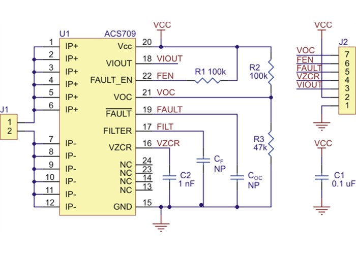
The FAULT pin is normally high and latches low when the current exceeds the overcurrent fault switchpoint (Ioc). This switchpoint is set by the voltage applied to the VOC pin and is dependent on the voltage divider shown in the schematic diagram below. By default, Ioc is set to 57 A, but it can be altered by adding external resistors to the voltage divider to change the VOC voltage. Once the FAULT pin is latched low, it can be reset by driving the FAULT_EN input low (this input is pulled high on the board). An external capacitor, COC, can be added to increase the overcurrent fault response time. Without this capacitor, the fault response time is typically under 2 μs. For detailed information on using the overcurrent fault feature, including some key restrictions on the overcurrent threshold, please refer to the ACS709 datasheet (1MB pdf).

ACS709 current sensor carrier mounting holes and current inputs.

ACS709 current sensor carrier with solderless ring terminal connectors (not included).

The input current can be connected to the board in a variety of ways. Holes with 0.1″, 3.5 mm, and 5 mm spacing are available as shown in the diagram above for connecting male header pins or terminal blocks. For high-current applications, you can solder wires directly to the through-holes that best match your wires, or you can use solderless ring terminal connectors, as shown in the picture above. The large through-holes are big enough for #6 screws.

Warning: This product is intended for use below 30 V. Working with higher voltages can be extremely dangerous and should only be attempted by qualified individuals with appropriate equipment and protective gear.

Mounting information

The board has two mounting holes on the logic side of the board. These mounting holes are 0.6" apart and are designed for #2 screws.

Included components

This board ships assembled with all surface mount components, and an 8×1 strip of 0.1″ header pins is included but not soldered in, as shown in the picture below.

ACS709 current sensor carrier with included 8 × 1 0.1″ header pins.

Schematic diagram

ACS709 current sensor carrier schematic diagram.

Comparison of the Pololu current sensor carriers

We have a variety of current sensors available with different ranges, sensitivities, and features. The table below summarizes our selection of active and preferred options:



CT220 ContactlessCurrent SensorCarriers ACS3704xCurrent SensorMicro Carriers ACS3704xCurrent SensorCompact Carriers ACS711 CurrentSensor Carriers ACS71240 CurrentSensor Carriers ACS724 CurrentSensor Carriers ACS37030Current SensorCompact Carriers ACS37220Current SensorCompact Carriers
Allegro Sensor CT220xMV-HS5 ACS3704x ACS711KEXT ACS71240 ACS724LLCTR ACS37220 ACS37030
Sensing technology XtremeSense™
TMR (tunneling magnetoresistance)
Hall effect Hall effect Hall effect Hall effect Hall effect + inductive coil Hall effect
Logic voltage range 2.7–5.5 V 3.3V versions: 3.0–3.6 V
5V versions: 4.75–5.5 V
3.0–5.5 V 3.3V ver: 3.0–3.6 V
5V ver: 4.5–5.5 V
4.5–5.5 V 3.0–3.6 V 3.3V ver: 3.15–3.45 V
5V ver: 4.5–5.5 V
Family current range 10–800 A 10–30 A 15.5–31 A 10–50 A 2.5–50 A 20–65 A 100–200 A
Range/sensitivity of individual versions (2)
±1.5 mT / 1500 mV/mT
±15 mT / 150 mV/mT
ACS37041:

3.3V Bidirectional:
±10 A / 132 mV/A
±30 A / 44 mV/A

5V Bidirectional:
±10 A / 200 mV/A
±30 A / 66.7 mV/A


ACS37042:

3.3V Bidirectional:
±10 A / 132 mV/A
±30 A / 44 mV/A

5V Bidirectional:
±10 A / 200 mV/A
±30 A / 66.7 mV/A
ACS37041:

3.3V Bidirectional:
±10 A / 132 mV/A
±30 A / 44 mV/A

5V Bidirectional:
±10 A / 200 mV/A
±30 A / 66.7 mV/A


ACS37042:

3.3V Bidirectional:
±10 A / 132 mV/A
±30 A / 44 mV/A

5V Bidirectional:
±10 A / 200 mV/A
±30 A / 66.7 mV/A
Bidirectional:(1)
±15.5 A / 90 mV/A
±31 A / 45 mV/A
3.3V Bidirectional:
±10 A / 132 mV/A
±30 A / 44 mV/A
±50 A / 26.4 mV/A

5V Bidirectional:
±10 A / 200 mV/A
±30 A / 66 mV/A
±50 A / 40 mV/A

5V Unidirectional:
0–⁠50 A / 80 mv/A
5V Bidirectional:(2)
±2.5 A / 800 mV/A
±5 A / 400 mV/A
±10 A / 200 mV/A
±20 A / 100 mV/A
±30 A / 66 mV/A
±50 A / 40 mV/A

5V Unidirectional:(2)
0–⁠5 A / 800 mv/A
0–⁠10 A / 400 mv/A
0–⁠20 A / 200 mv/A
0–⁠30 A / 133 mV/A
3.3V Bidirectional:
±20 A / 66 mV/A
±40 A / 33 mV/A
±65 A / 20.3 mV/A
3.3V Bidirectional:
±100 A / 13.2 mV/A
±150 A / 8.8 mV/A

5V Bidirectional:
±100 A / 20 mV/A
±150 A / 13.3 mV/A
±200 A / 10 mV/A
IC current path resistance N/A 1.6 mΩ 0.6 mΩ 0.6 mΩ 0.6 mΩ 0.7 mΩ 0.1 mΩ
PCB N/A 2 layers,
1-oz copper
2 layers,
2-oz copper
2 layers,
2-oz copper
2 layers,
2-oz copper
2 layers,
2- or 4-oz copper(3)
2 layers,
2-oz copper
2 layers,
2-oz copper
Max bandwidth 30 kHz 150 kHz 100 kHz 120 kHz 120 kHz(4) 5 MHz 150 kHz
Size 0.4″ × 0.62″ 0.3″ × 0.4″ 0.7″ × 0.8″ 0.7″ × 0.8″ 0.7″ × 0.8″ 0.7″ × 0.8″ 0.7″ × 0.8″ 0.7″ × 0.8″
Overcurrent
fault output
User-configurable threshold
Common-mode field rejection
Nonratiometric output
1-piece price $4.95 $4.15$4.69 $4.45$4.99 $4.85 $5.25 $9.95$11.49 $11.95 $6.95

Note 1: Sensitivity when Vcc = 3.3 V; actual sensitivity is ratiometric (i.e. it is proportional to Vcc).
Note 2: Sensitivity when Vcc = 5 V; actual sensitivity is ratiometric (i.e. it is proportional to Vcc).
Note 3: 50A version of this carrier uses 4-oz copper PCB; all other versions of this carrier use 2-oz copper.
Note 4: Bandwidth can be reduced by adding a filter capacitor.

ACS37030Current SensorCompact Carriers ACS37030Current SensorLarge Carriers CT432/CT433 TMRCurrent SensorCompact Carriers CT432/CT433 TMRCurrent SensorLarge Carriers ACS72981Current SensorCompact Carriers ACS72981Current SensorLarge Carriers ACS37220Current SensorCompact Carriers ACS37220Current SensorLarge Carriers
Allegro Sensor ACS37030 CT432/CT433 ACS72981xLR ACS37220
Sensing technology Hall effect + inductive coil XtremeSense™ TMR
(tunneling magnetoresistance)
Hall effect Hall effect
Logic voltage range 3.0–3.6 V 3.3V versions: 3.0–3.6 V
5V versions: 4.75–5.5 V
3.3V versions: 3.0–3.6 V
5V versions: 4.5–5.5 V
3.3V versions: 3.15–3.45 V
5V versions: 4.5–5.5 V
Family current range 20–65 A 20–70 A 50–200 A 100–200 A
Range/sensitivity of individual versions 3.3V Bidirectional:
±20 A / 66 mV/A
±40 A / 33 mV/A
±65 A / 20.3 mV/A
3.3V Bidirectional:
±40 A / 33 mV/A
±65 A / 20.3 mV/A
3.3V Bidirectional:
±20 A / 50 mV/A
±30 A / 33.3 mV/A
±50 A / 20 mV/A
±70 A / 14.3 mV/A

3.3V Unidirectional:
0–⁠20 A / 100 mv/A
0–⁠30 A / 66.7 mv/A
0–⁠50 A / 40 mv/A
0–⁠65 A / 30.8 mv/A

5V Bidirectional:
±20 A / 100 mV/A
±30 A / 66.7 mV/A
±50 A / 40 mV/A
±65 A / 30.8 mV/A

5V Unidirectional:
0–⁠20 A / 200 mv/A
0–⁠30 A / 133.3 mv/A
0–⁠50 A / 80 mv/A
0–⁠70 A / 57.1 mv/A
3.3V Bidirectional:
±50 A / 20 mV/A
±70 A / 14.3 mV/A

3.3V Unidirectional:
0–⁠50 A / 40 mv/A
0–⁠65 A / 30.8 mv/A

5V Bidirectional:
±50 A / 40 mV/A
±65 A / 30.8 mV/A

5V Unidirectional:
0–⁠50 A / 80 mv/A
0–⁠70 A / 57.1 mv/A
3.3V Bidirectional:(1)
±50 A / 26.4 mV/A
±100 A / 13.2 mV/A
±150 A / 8.8 mV/A
±200 A / 6.6 mV/A

3.3V Unidirectional:(1)
0–⁠50 A / 52.8 mv/A
0–⁠100 A / 26.4 mv/A
0–⁠150 A / 17.6 mv/A
0–⁠200 A / 13.2 mv/A

5V Bidirectional:(2)
±50 A / 40 mV/A
±100 A / 20 mV/A
±150 A / 13.3 mV/A
±200 A / 10 mV/A

5V Unidirectional:(2)
0–⁠50 A / 80 mv/A
0–⁠100 A / 40 mv/A
0–⁠150 A / 26.7 mv/A
3.3V Bidirectional:(1)
±50 A / 26.4 mV/A
±100 A / 13.2 mV/A
±150 A / 8.8 mV/A
±200 A / 6.6 mV/A

3.3V Unidirectional:(1)
0–⁠50 A / 52.8 mv/A
0–⁠100 A / 26.4 mv/A
0–⁠150 A / 17.6 mv/A
0–⁠200 A / 13.2 mv/A

5V Bidirectional:(2)
±50 A / 40 mV/A
±100 A / 20 mV/A
±150 A / 13.3 mV/A
±200 A / 10 mV/A

5V Unidirectional:(2)
0–⁠50 A / 80 mv/A
0–⁠100 A / 40 mv/A
0–⁠150 A / 26.7 mv/A
3.3V Bidirectional:
±100 A / 13.2 mV/A
±150 A / 8.8 mV/A

5V Bidirectional:
±100 A / 20 mV/A
±150 A / 13.3 mV/A
±200 A / 10 mV/A
3.3V Bidirectional:
±100 A / 13.2 mV/A
±150 A / 8.8 mV/A

5V Bidirectional:
±100 A / 20 mV/A
±150 A / 13.3 mV/A
±200 A / 10 mV/A
IC current path resistance 0.7 mΩ 1 mΩ 0.2 mΩ 0.1 mΩ
PCB 2 layers,
2-oz copper
6 layers,
2-oz copper
2 or 4 layers(3),
2-oz copper
6 layers,
2-oz copper
6 layers,
2-oz copper
6 layers,
2-oz copper
2 layers,
2-oz copper
6 layers,
2-oz copper
Max bandwidth 5 MHz 1 MHz 250 kHz 150 kHz
Size 0.7″ × 0.8″ 1.4″ × 1.2″ 0.8″ × 1.1″ 1.4″ × 1.2″ 0.7″ × 0.8″ 1.4″ × 1.2″ 0.7″ × 0.8″ 1.4″ × 1.2″
Overcurrent
fault output
User-configurable threshold
Common-mode field rejection
Nonratiometric output
1-piece price $11.95 $14.95 $12.95 $16.95 $13.95 $16.95 $6.95 $10.95

Note 1: Sensitivity when Vcc = 3.3 V; actual sensitivity is ratiometric (i.e. it is proportional to Vcc).
Note 2: Sensitivity when Vcc = 5 V; actual sensitivity is ratiometric (i.e. it is proportional to Vcc).
Note 3: 50A and higher versions of this carrier use a 4-layer PCB; all other versions of this carrier use a 2-layer PCB.

You can also use the following selection box to see these options sorted by current range:

Alternatives available with variations in these parameter(s): current range Select variant…


Specifications

Dimensions

Size: 0.82″ x 0.9″
Weight: 1.7 g1

General specifications

Current sense: 0.018 V/A2
Minimum logic voltage: 3 V
Maximum logic voltage: 5.5 V
Supply current: 11 mA
Current sensor: Allegro ACS709LLFTR-35BB

Identifying markings

PCB dev codes: cs03a
Other PCB markings: 0J3224

Notes:

1
Without included optional header pins.
2
When Vcc is 3.3 V. This specification is proportional to Vcc.

Resources

File downloads

Related Products