210:1 Micro Metal Gearmotor LP 6V with 12 CPR Encoder, Side Connector

This is a miniature brushed DC metal gearmotor with a gearbox cross section of 10×12 mm and a 9 mm long, 3 mm diameter D-shaped gearbox output shaft. Cables sold separately.

This is a miniature brushed DC metal gearmotor with a gearbox cross section of 10×12 mm and a 9 mm long, 3 mm diameter D-shaped gearbox output shaft. Cables sold separately.

motor/brush type gearbox encoder
LP 6V: low-power 6V with precious metal brushes 210.59:1 with brass plates 12 CPR incremental quadrature with side connector

voltage no-load performance stall extrapolation*
6 V 65 RPM, 40 mA 1.6 kg⋅cm (22 oz⋅in), 0.36 A
* Note: Stall torque and stall current specifications are theoretical values; stalls could damage the motor or gearbox.


Description

Overview

Our Micro Metal Gearmotor family consists of tiny brushed DC metal gearmotors with nitride-hardened martensitic stainless steel gears in a wide range of gear ratios, motor windings, brushes, and encoder configurations:

Micro Metal Gearmotor next to a US quarter dollar for size reference.

Gear ratio options Motor winding/brush options Encoder options
  • 5:1
  • 10:1
  • 15:1
  • 30:1
  • 50:1
  • 75:1
  • 100:1
  • 150:1
  • 210:1
  • 250:1
  • 298:1
  • 380:1
  • 1000:1

  • HPCB 12V: high-power 12V
    with long-life carbon brushes
  • HPCB 6V: high-power 6V
    with long-life carbon brushes
  • HP 6V: high-power 6V
    with precious metal brushes
  • MP 6V: medium-power 6V
    with precious metal brushes
  • LP 6V: low-power 6V
    with precious metal brushes
  • integrated 12 CPR quadrature encoder
    with back connector
  • integrated 12 CPR quadrature encoder
    with side connector
  • encoder-compatible (extended motor shaft
    for adding an encoder)
  • no encoder

The following comparison table shows basic specifications for all of the available versions (see the Micro Metal Gearmotor datasheet (5MB pdf) for additional information, including detailed performance graphs):

Rated
Voltage
Stall
Current
No-Load
Current
No-Load
Speed
(RPM)
Extrapolated
Stall Torque
Max
Power
(W)
Approx
Gear
Ratio


No Encoder

w/ Extended
Motor Shaft

w/ Encoder,
Back Conn.

w/ Encoder,
Side Conn.
(kg⋅cm) (oz⋅in)
HPCB 12V
(high-power, carbon brushes)
12 V 0.75 A 100 mA 6800 0.09 1.3 5:1 #3036 #3047 #5204 #5205
80 mA 3400 0.17 2.4 1.5 10:1 #3037 #3048 #5206 #5207
2200 0.25 3.5 1.4 15:1 #4788 #4789 #5208 #5209
1100 0.39 5.4 1.1 30:1 #3038 #3049 #5210 #5211
650 0.67 9.3 1.1 50:1 #3039 #3050 #5212 #5213
450 1.0 14 1.1 75:1 #3040 #3051 #5214 #5215
330 1.3 18 1.1 100:1 #3041 #3052 #5216 #5217
220 1.8 25 1.0 150:1 #3042 #3053 #5218 #5219
160 2.5 35 1.0 210:1 #3043 #3054 #5220 #5221
130 3.0 42 1.1 250:1 #3044 #3055 #5222 #5223
110 3.3 46 1.0 298:1 #3045 #3056 #5224 #5225
85 5.0 69 1.1 380:1 #4798 #4799 #5226 #5227
35 10 140 1000:1 #3046 #3057 #5228 #5229
Rated
Voltage
Stall
Current
No-Load
Current
No-Load
Speed
(RPM)
Extrapolated
Stall Torque
Max
Power
(W)
Approx
Gear
Ratio
No Encoder w/ Extended
Motor Shaft
w/ Encoder,
Back Conn.
w/ Encoder,
Side Conn.
(kg⋅cm) (oz⋅in)
HPCB 6V
(high-power, carbon brushes)
6 V 1.5 A 170 mA 6500 0.09 1.3 5:1 #3060 #3082 #5178 #5179
150 mA 3300 0.17 2.4 1.3 10:1 #3061 #3071 #5180 #5181
2100 0.25 3.5 1.3 15:1 #4786 #4787 #5182 #5183
1100 0.45 6.2 1.2 30:1 #3062 #3072 #5184 #5185
650 0.74 10 1.2 50:1 #3063 #3073 #5186 #5187
430 1.1 15 1.3 75:1 #3064 #3074 #5188 #5189
330 1.6 22 1.3 100:1 #3065 #3075 #5190 #5191
220 2.0 28 1.1 150:1 #3066 #3076 #5192 #5193
160 2.8 39 1.1 210:1 #3067 #3077 #5194 #5195
130 3.2 44 1.1 250:1 #3068 #3078 #5196 #5197
110 3.4 47 1.0 298:1 #3069 #3079 #5198 #5199
85 5.0 69 1.1 380:1 #4796 #4797 #5200 #5201
33 11 150 1000:1 #3070 #3080 #5202 #5203
Rated
Voltage
Stall
Current
No-Load
Current
No-Load
Speed
(RPM)
Extrapolated
Stall Torque
Max
Power
(W)
Approx
Gear
Ratio
No Encoder w/ Extended
Motor Shaft
w/ Encoder,
Back Conn.
w/ Encoder,
Side Conn.
(kg⋅cm) (oz⋅in)
HP 6V
(high-power)
6 V 1.6 A 120 mA 6100 0.11 1.5 5:1 #1000 #2210 #5152 #5153
100 mA 3100 0.22 3.0 1.6 10:1 #999 #2211 #5154 #5155
2000 0.30 4.2 1.5 15:1 #4784 #4785 #5156 #5157
1000 0.57 7.9 1.5 30:1 #1093 #2212 #5158 #5159
590 0.86 12 1.3 50:1 #998 #2213 #5160 #5161
410 1.3 18 1.4 75:1 #2361 #2215 #5162 #5163
310 1.7 24 1.3 100:1 #1101 #2214 #5164 #5165
210 2.4 33 1.2 150:1 #997 #2386 #5166 #5167
150 3.0 42 1.1 210:1 #996 #2216 #5168 #5169
120 3.4 47 1.1 250:1 #995 #2217 #5170 #5171
100 4.0 56 1.1 298:1 #994 #2218 #5172 #5173
84 5.5 76 1.1 380:1 #4794 #4795 #5174 #5175
31 12 170 1000:1 #1595 #2373 #5176 #5177
Rated
Voltage
Stall
Current
No-Load
Current
No-Load
Speed
(RPM)
Extrapolated
Stall Torque
Max
Power
(W)
Approx
Gear
Ratio
No Encoder w/ Extended
Motor Shaft
w/ Encoder,
Back Conn.
w/ Encoder,
Side Conn.
(kg⋅cm) (oz⋅in)
MP 6V
(medium-power)
6 V 0.67 A 80 mA 4400 0.06 0.8 5:1 #2362 #2376 #5126 #5127
70 mA 2200 0.11 1.5 10:1 #2363 #2377 #5128 #5129
1400 0.20 2.8 0.70 15:1 #4782 #4783 #5130 #5131
720 0.33 4.6 0.57 30:1 #2364 #2378 #5132 #5133
420 0.54 7.5 0.55 50:1 #2365 #2379 #5134 #5135
290 0.78 11 0.54 75:1 #2366 #2380 #5136 #5137
220 0.94 13 0.50 100:1 #2367 #2381 #5138 #5139
150 1.3 18 0.48 150:1 #2368 #2382 #5140 #5141
100 1.7 24 0.46 210:1 #2369 #2383 #5142 #5143
88 2.2 31 0.48 250:1 #2370 #2384 #5144 #5145
73 2.4 33 0.44 298:1 #2371 #2385 #5146 #5147
57 3.6 50 0.53 380:1 #4792 #4793 #5148 #5149
22 6.7 93 1000:1 #2372 #3059 #5150 #5151
Rated
Voltage
Stall
Current
No-Load
Current
No-Load
Speed
(RPM)
Extrapolated
Stall Torque
Max
Power
(W)
Approx
Gear
Ratio
No Encoder w/ Extended
Motor Shaft
w/ Encoder,
Back Conn.
w/ Encoder,
Side Conn.
(kg⋅cm) (oz⋅in)
LP 6V
(low-power)
6 V 0.36 A 50 mA 2500 0.05 0.7 5:1 #1100 #2200 #5100 #5101
40 mA 1300 0.10 1.4 10:1 #1099 #2201 #5102 #5103
860 0.17 2.4 0.37 15:1 #4780 #4781 #5104 #5105
450 0.29 4.0 0.31 30:1 #993 #2202 #5106 #5107
270 0.44 6.1 0.29 50:1 #1098 #2203 #5108 #5109
180 0.64 8.9 0.29 75:1 #2360 #2209 #5110 #5111
130 0.74 10 0.25 100:1 #992 #2204 #5112 #5113
90 1.1 15 0.25 150:1 #1097 #2205 #5114 #5115
65 1.6 22 0.25 210:1 #1096 #2206 #5116 #5117
54 1.7 24 0.23 250:1 #1095 #2207 #5118 #5119
45 2.0 28 0.22 298:1 #1094 #2208 #5120 #5121
36 2.9 40 0.27 380:1 #4790 #4791 #5122 #5123
13 5.5 76 1000:1 #1596 #3058 #5124 #5125

Note: Stalling or overloading gearmotors can greatly decrease their lifetimes and even result in immediate damage. The recommended upper limit for instantaneous torque is 2.5 kg⋅cm (35 oz⋅in) for the 380:1 and 1000:1 gearboxes, and 2 kg⋅cm (25 oz⋅in) for all the other gear ratios; we strongly advise keeping applied loads well under this limit. Stalls can also result in rapid (potentially on the order of seconds) thermal damage to the motor windings and brushes, especially for the versions that use high-power (HP and HPCB) motors; a general recommendation for brushed DC motor operation is 25% or less of the stall current.

In general, these kinds of motors can run at voltages above and below their nominal voltages; lower voltages might not be practical, and higher voltages could start negatively affecting the life of the motor.

Motor windings/brush options

The 6V and 12V HPCB motors have long-life carbon brushes, and they offer the same performance at their respective nominal voltages, just with the 12 V motor drawing half the current of the 6 V motor. The 6V HP, MP, and LP motors have shorter-life precious metal brushes, which are generally lower-friction than carbon brushes and preferred for lower-current applications. The HPCB versions (shown on the left in the picture below) can be differentiated from versions with precious metal brushes (shown on the right) by their copper-coloured terminals. Note that the HPCB terminals are 0.5 mm wider than those on the other Micro Metal Gearmotor versions (2 mm vs. 1.5 mm), and they are about 1 mm closer together (6 mm vs. 7 mm).

Micro Metal Gearmotor HPCB long-life carbon brushes (left) next to Micro Metal Gearmotor HP precious metal brushes (right).

Encoder options

Micro Metal Gearmotor (standard version without encoder or extended motor shaft).

Micro Metal Gearmotor with 12 CPR encoder, back connector (cable not included).

Micro Metal Gearmotor with 12 CPR encoder, side connector (cable not included).

Micro Metal Gearmotor with extended motor shaft.

In addition to standard versions that are not intended for use with encoders, we have versions of our Micro Metal Gearmotors available with integrated 12 CPR quadrature encoders on the motor shafts (i.e. on the inputs to the gearbox). These are available in two styles—back connector and side connector—and work with our assortment of 6-pin JST SH-style cables and 6-pin JST SH-style connector boards (cables are not included). A plastic snap-on housing covers the encoder disc and electronics.

We also have motor versions available with an extended motor shaft for adding your own encoder. This 1 mm diameter shaft extends 4.5 mm from the rear of the motor and rotates at the same speed as the input to the gearbox. These versions work with our separately available encoders for Micro Metal Gearmotors.

Gearbox options

The table below shows the exact gear ratios for our Micro Metal Gearmotors. All gearboxes have the same overall dimensions except for 1000:1, which is 3.5 mm longer than the others. The gearboxes use brass plates on all versions except 380:1, which has steel plates for increased durability and resistance to wear from radial loads.

Micro Metal Gearmotor size comparison of 1000:1 (bottom) vs other gear ratios (top).

Please note that the higher gear ratios can generate enough torque to damage themselves if exposed to loads beyond what they are rated for (25 kg⋅mm for 1000:1 and 380:1, 20 kg⋅mm for everything else). The point of these higher gear ratios is not to deliver more overall torque but rather to allow for slower speeds at a given voltage and to draw less current for a given torque within its rated operating range.

Dimensions

Our Micro Metal Gearmotors all have gearboxes with a 10 × 12 mm cross section and a 9 mm-long, 3 mm-diameter D-shaped gearbox output shaft. The gearbox length is the same for all gear ratios except 1000:1, which is 3.5 mm longer than the others. On versions without an encoder, the motor fits entirely within the 10 × 12 mm gearbox cross section. The two encoder options fit within the gearbox cross section on the side opposite the connector and extend past it by 3 mm or 4 mm on the connector side, depending on the connector orientation; for the other two sides, the encoder extends past the gearbox cross section by 0.25 mm.

In terms of size, these gearmotors are very similar to Sanyo’s popular 12 mm NA4S DC gearmotors, and gearmotors with this form factor are sometimes also referred to as N20 motors. The versions with carbon brushes (HPCB) have slightly different terminal and end-cap dimensions than the versions with precious metal brushes, but all of the other dimensions are identical.

See our detailed dimension diagrams (635k pdf) for more information.

Details for item #5117

Micro Metal Gearmotor with 12 CPR encoder, side connector.

Gearmotor details:

motor/brush type gearbox encoder
LP 6V: low-power 6V with precious metal brushes 210.59:1 with brass plates 12 CPR incremental quadrature with side connector

Key specifications:

voltage no-load performance stall extrapolation*
6 V 65 RPM, 40 mA 1.6 kg⋅cm (22 oz⋅in), 0.36 A
* Note: Stall torque and stall current specifications are theoretical values; stalls could damage the motor or gearbox.

Exact gear ratio: ``(25×34×34×35×38) / (12×9×13×13×10) ~~ bb(210.59:1)``

Using the encoder

This gearmotor includes an integrated two-channel incremental Hall effect encoder that senses the rotation of a magnetic disk on a rear protrusion of the motor shaft. The quadrature encoder provides a resolution of 12 counts per revolution (CPR) of the motor shaft when counting both edges of both channels. To compute the counts per revolution of the gearbox output, multiply 12 by the gearbox reduction factor. For example, for a 50:1 gearbox, the encoder would provide approximately 617 CPR of the gearbox output shaft (see exact gear ratios above).

Micro Metal Gearmotor with 12 CPR encoder, side connector. (1)

Micro Metal Gearmotor with 12 CPR encoder, back connector. (1)

The encoder features a 6-pin JST SH-style male connector that works with our 6-pin JST SH-style cables and 6-pin JST SH-style connector boards. Two connector orientations are available: Back Connector, which is oriented parallel to the motor, and Side Connector, which is perpendicular to the motor. Note: A cable is not included with this gearmotor.

Pin 1 (M1) on the Micro Metal Gearmotors with encoders.

Pin Cable colour Function
1 Red motor power M1 (“+” terminal)
2 Black motor power M2 (other terminal)
3 Blue encoder Vcc (2.7 V to 18 V)
4 Yellow encoder channel A output
5 White encoder channel B output
6 Green encoder GND

Micro Metal Gearmotor with 12 CPR encoder, side connector (cable not included).

Micro Metal Gearmotor with 12 CPR encoder, back connector (cable not included).

The motor terminals are connected to the M1 (pin 1) and M2 (pin 2) connector pins, and they can be accessed via the red and black wires when used with our corresponding JST cables. For consistency, M1 always connects to the motor terminal marked with a “+” on the back of the motor case. This mark is not visible on the encoder versions because the board covers it, but it can be seen on the versions without encoders. Please note that this is just an identifying mark, and the motor is intended to be operated in both directions by alternating the polarity of the power to the motor leads. Because the two connector types have pin 1 on opposite sides, they have to be mounted with different motor orientations to ensure pin 1 always connects to the same motor terminal, regardless of encoder style.

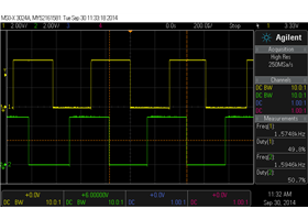
The sensors are powered through the Vcc (pin 3, blue wire) and GND (pin 6, green wire) pins; Vcc can be 2.7 V to 18 V. The quadrature outputs A and B (yellow and white wires) are digital signals that are either driven low (0 V) or pulled to Vcc through 10 kΩ pull-up resistors, depending on the orientation of the motor. The sensors’ comparators have built-in hysteresis, which prevents spurious signals in cases where the motor is near a transition point. The A and B signals are square waves with roughly 50% duty cycles that are approximately 90° out of phase. The order of the A-B transitions indicates motor direction, and the frequency indicates motor speed. The following scope capture shows an example of these signals:

Encoder A and B outputs of a magnetic encoder on a high-power (HP) 6V Micro Metal Gearmotor running at 6 V.

Encoder schematic

Schematic diagram of the integrated Micro Metal Gearmotor encoder.

Motor Accessories

  • Wheels and hubs: The Micro Metal Gearmotor’s output shaft matches our assortment of Pololu wheels for 3mm shafts. You can also use our Pololu universal mounting hubs to mount custom wheels and mechanism to the Micro Metal Gearmotor’s output shaft, and you can use our 12mm hex wheel adaptor to use this motor with many common hobby RC wheels.

Pololu Wheel 32×7mm on a Micro Metal Gearmotor.

Black Pololu Wheel 70×8mm on a Pololu Micro Metal Gearmotor.

A pair of Pololu universal aluminium mounting hubs for 3 mm diameter shafts.

12mm Hex Wheel Adapter for 3mm Shaft on a Micro Metal Gearmotor.

Black micro metal gearmotor mounting bracket pair with included screws and nuts.

White micro metal gearmotor mounting bracket pair with included screws and nuts.

Pololu micro metal gearmotor bracket extended with Micro Metal Gearmotor.

  • Encoders and connector boards: While we have versions of our Micro Metal Gearmotors available with encoders already installed, we also have encoder boards available separately that can be installed on the Micro Metal Gearmotor versions with extended motor shafts. For the single-shaft versions, we have 2-pin connector boards available that work with 2-pin JST SH-style female cables.

Side-by-side comparison of Magnetic Encoder with Top-Entry Connector (left), Side-Entry Connector (centre), and 2mm-pitch through-holes (right).

Micro Metal Gearmotor with Back-Entry, 2-Pin JST SH-Style Connector Board and cable (cable not included).

Micro Metal Gearmotor with Side-Entry, 2-Pin JST SH-Style Connector Board and cable (cable not include).

  • Motor controllers and drivers: We have a number of motor controllers and motor drivers that can be used to control these Micro Metal Gearmotors. In particular, the MP6550 motor driver is well suited for these motors, as are our Motoron M1x550, M2x550, M3S550, and M3H550 chainable serial motor controllers.

MP6550 Single Brushed DC Motor Driver Carrier.

Motoron M1T550/M1U550 Single Motor Controller (Header Pins Soldered).

Motoron M2T550/M2U550 Dual Motor Controller (Header Pins Soldered).

Three Motoron M3S550 shields being controlled by an Arduino Uno.

  • Current sensors: The recommended motor control options above have built-in current sensing, but we also have an assortment of stand-alone Hall effect-based current sensors to choose from:

ACS724LLCTR-2P5AB Current Sensor Carrier -2.5A to +2.5A.

We also incorporate these motors into some of our products, including our Zumo robot and 3pi robot :

Assembled Zumo 2040 robot.

3pi+ 2040 Robot.


Specifications

Dimensions

Size: 10 × 12 × 32 mm1
Weight: 11 g
Shaft diameter: 3 mm2

General specifications

Gear ratio: 210.59:1
No-load speed @ 6V: 65 rpm3
No-load current @ 6V: 0.04 A4
Stall current @ 6V: 0.36 A
Stall torque @ 6V: 1.6 kg·cm
Max output power @ 6V: 0.25 W
Encoder: 12 CPR encoder with side connector
Motor type: 0.36A stall @ 6V (LP 6V)

Performance at maximum efficiency

Max efficiency @ 6V: 27 %
Speed at max efficiency: 46 rpm
Torque at max efficiency: 0.41 kg·cm
Current at max efficiency: 0.12 A
Output power at max efficiency: 0.19 W

Notes:

1
Output shaft adds 10 mm to the 32 mm length, and the encoder extends past the 10 × 12 gearbox cross section on three of the four sides. See dimension diagram for details.
2
D shaft.
3
Typical; ±20%.
4
Typical, ±50%; no-load current depends on internal friction, which is affected by many factors, including ambient temperature and duration of motor operation.

Resources

File downloads


FAQs

Is it okay to stall this motor at its operating voltage?

No! Stalls can result in rapid (potentially on the order of seconds) thermal damage to the motor windings and brushes; a general recommendation for brushed DC motor operation is 25% or less of the stall current, which means keeping continuously applied loads around 25% or less of the stall torque.

Additionally, for many of our gearmotors with high gear ratios, the extrapolated stall torque is beyond what the gearboxes are designed to handle, and a stall could instantly damage the gears. Make sure to keep applied loads within the published limits for your gearmotor.

What do the dotted lines mean in the motor performance curves from the datasheet?
In our motor performance curves, the solid lines show the regions where we actually took measurements while the dotted lines show extrapolations beyond that. For many motors, we took measurements out to about 50% of the stall torque, since continued operation at loads past this point increasingly risk thermal damage to the windings. However, for higher gear ratios, going to 50% of the stall torque exceeds what is safe for the gearbox, so the measurements are further limited to not much past our recommendation for continuously applied loads.

Related Products