These aluminium gearmotor brackets let you mount Pololu’s 37D mm metal gearmotors to your project. The brackets are sold in pairs , and each bracket includes six M3 screws for securing the motor to the bracket.
Special Order
Shipping from $9.90
+451 more from our supplier in 7-10 days
Our Code: MEC-30026
Supplier Link: [Pololu MPN:1084]
These aluminum gearmotor brackets let you mount Pololu’s 37D mm metal gearmotors to your project. The brackets are sold in pairs, and each bracket includes six M3 screws for securing the motor to the bracket. Each bracket also features fourteen mounting holes for M3 or #4-size screws (not included), giving you a variety of mounting options.
These light-weight brackets are specifically designed for Pololu’s 37D mm metal gearmotors. Each bracket features fourteen mounting holes (seven along each edge) for M3 or #4-size screws, giving you a variety of mounting options. A total of twelve 5 mm M3 screws (six for each bracket) are included for securing the motors to the brackets.
We also carry a machined bracket for our 37D mm gearmotors that provides an alternate, sturdier mounting option (this stamped L-bracket can bend under heavy load).
![]() |
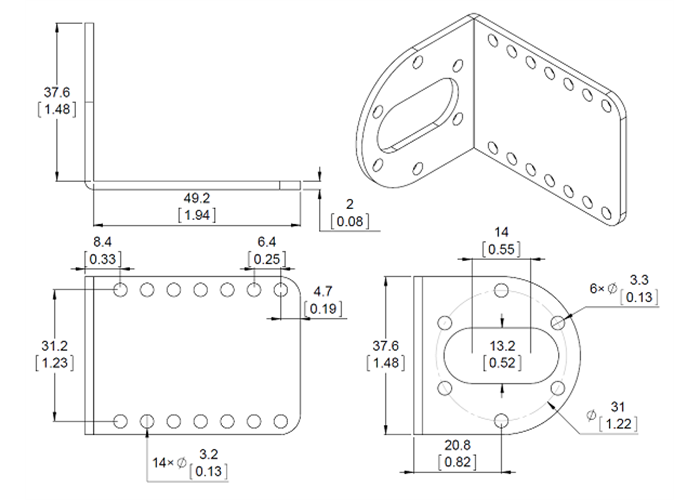
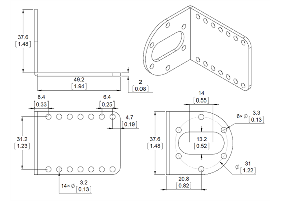
Mechanical drawing for the Pololu stamped aluminium L-bracket for 37D mm metal gearmotors. Units are mm over [inches]. |
|---|
This drawing is also available as a downloadable PDF (81k pdf).
Note: As of June 11, 2014, the thickness of these brackets has increased from 1.5 mm to 2 mm.
These dimensions apply to all brackets sold on or after June 11, 2014. The only change is the thickness of the bracket, which went from 1.5 mm to 2 mm.
These dimensions apply to all brackets sold before June 11, 2014; brackets sold after this date are 0.5 mm thicker.