Pololu Machined Aluminum Bracket for 37D mm Metal Gearmotors

This machined aluminium gearmotor bracket lets you securely mount Pololu’s 37D mm metal gearmotors to your project.

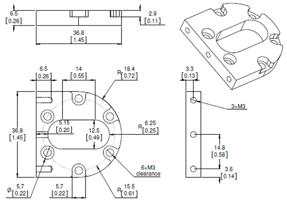
This machined aluminum gearmotor bracket lets you securely mount Pololu’s 37D mm metal gearmotors to your project. The six holes on the bracket face line up with the six mounting holes on the 37D gearbox, and the bracket features three tapped M3 holes on the bottom that can be used to mount it to a surface. The bracket includes nine M3 screws: three for mounting the bracket to a surface and six for mounting it to the gearmotor.


Description

This light and sturdy bracket is specifically designed for Pololu’s 37D mm metal gearmotors. Nine 8 mm M3 screws are included for securing the motor to the bracket and the bracket to a surface. The bracket features three tapped M3 holes along the bottom (spaced 14.8 mm, or 0.58″, apart) that are used to mount it to another object.

We also carry a stamped L-bracket for our 37D mm gearmotors that provides alternate mounting options, but the stamped bracket is not quite as sturdy as this machined bracket and can bend under heavy load.

Dimensions of Pololu machined aluminium bracket for 37D mm metal gearmotors (mm over [in]).

This drawing is also available as a downloadable PDF (48k pdf).

Pololu machined aluminum bracket for 37D mm metal gearmotors mounting a motor to a clear piece of acrylic.

Pololu machined aluminum bracket for 37D mm metal gearmotors mounting a motor to a clear piece of acrylic, front view.

Pololu machined aluminum bracket for 37D mm metal gearmotors mounting a motor to a clear piece of acrylic, side view.

Pololu machined aluminum bracket for 37D mm metal gearmotors mounting a motor to a clear piece of acrylic, bottom view.


Specifications

Dimensions

Weight: 14 g

Resources

File downloads

Related Products