ACS37800KMACTR-030B3-I2C Power Monitor Carrier with Secondary I²C Isolation

This board is an integrated solution for monitoring voltage, current, power, and other parameters in AC and DC systems featuring Allegro’s ACS37800KMACTR-030B3-I2C isolated power monitoring IC.

This board is an integrated solution for monitoring voltage, current, power, and other parameters in AC and DC systems featuring Allegro’s ACS37800KMACTR-030B3-I2C isolated power monitoring IC. It provides bidirectional current measurements from −30 A to +30 A and can be configured to measure voltages up to 480 VRMS nominal (up to ±980 V peak). Our carrier board adds secondary isolation to the sensor’s I²C interface for additional safety and measurement accuracy.


Description

Overview

ACS37800KMACTR-030B3-I2C Power Monitor Carrier with Secondary I²C Isolation, bottom view with dimensions.

We are offering these breakout boards with support from Allegro Microsystems as an easy way to use or evaluate their ACS37800KMACTR-030B3-I2C isolated power monitoring IC; we therefore recommend careful reading of the ACS37800 datasheet (4MB pdf) before using this product. The following list details some of the sensor’s key features:

  • Measures voltage and current, both RMS and instantaneous
    • Works in single-phase AC and DC systems
    • Automatic zero-crossing detection and averaging
    • Calculates active, reactive, and apparent power, as well as power factor
    • 1 kHz bandwidth
  • Hall effect-based current sensor with electrically isolated current path
    • Sensor can be inserted anywhere along the current path
    • Differential Hall sensing rejects errors from common-mode fields (e.g. Earth’s magnetic field)
    • Low conductive path resistance (0.85 mΩ in ACS37800, PCB uses 2 oz copper)
  • Board includes resistor network with isolation and sense resistors for measuring voltage
    • Three configurable voltage measurement ranges optimised for 120 VAC, 240 VAC, and 480 VAC measurement
    • 1206-size, high-voltage-rated resistors (190k pdf) on input voltage dividers
  • Interface: I²C, using JST SH-style 4-pin connectors that work with our 4-pin JST SH-style cables (and are compatible with Qwiic and STEMMA QT) or 0.1″-pitch pins
    • User configuration of the IC stored in on-chip EEPROM
    • Programmable over-current, under-voltage, and over-voltage detection thresholds
  • Compact 1.9″ ×1.8″ board size with a variety of connection options
    • Optionally available with terminal block already soldered
    • Routed slots for higher creepage
    • Secondary isolation for I²C signals and logic power provides additional safety and measurement accuracy

Details for item #5410

This version of the ACS37800 power monitor carrier does not have a terminal block soldered or included. Both voltage measurement range jumpers are open, configuring the board to measure up to 120 VRMS by default.

ACS37800KMACTR-030B3-I2C Power Monitor Carrier with Secondary I²C Isolation. (1)

Other versions are available with a soldered terminal block and with a soldered terminal block and jumpers configured for 240 VRMS.

Using the sensor

The ACS37800 measures current flowing from the IP+ to the IP− connection points; these pins are labelled on the board’s top silkscreen, which also shows the direction that is interpreted as positive current flow via the +i arrow. It measures voltage between IP+ and the connection points on the left side of the board (labelled V− in the schematic), with positive readings corresponding to a higher voltage on IP+. The left-side through-holes are all electrically connected, so one convenient way to make connections to the board is to attach your power supply to the inner set of connection points and your load to the outer set, as shown in the diagram below. (Alternatively, you can connect the negative sides of your load and power supply directly together, then add a separate connection from there to V−.)

Typical wiring diagram for the ACS37800KMACTR-030B3-I2C Power Monitor Carrier.

When measuring DC systems, matching the polarities in this diagram will produce positive current readings when current flows from the power supply to the load and positive voltage readings when the supply has a higher voltage on its positive terminal than its negative terminal. In AC systems, the polarities are less important, though they might still be meaningful for the instantaneous voltage and current readings provided by the ACS37800.

On the logic side, the sensor has four required connections: logic power (VCC and GND) and I²C clock and data signals (SCL and SDA). These connections can be made through either of the board’s two JST SH-style 4-pin connectors, which work with our 4-pin JST SH-style cables and are compatible with SparkFun’s Qwiic and Adafruit’s STEMMA QT (the second connector can be used to chain additional I²C devices), or with a set of through-holes that are spaced with a 0.1″ (2.54 mm) pitch and compatible with 0.1″ male headers and solderless breadboards.

ACS37800KMACTR-030B3-I2C Power Monitor Carrier with Secondary I²C Isolation, connected with 4-pin JST SH-style cables (not included).

The carrier board configures the ACS37800 to use a 7-bit I²C target address of 0b1100000 (0x60 or 96) by default. However, the target address can be changed by reprogramming the EEPROM, as can many other configuration settings.

A logic supply voltage of 3 V to 5.5 V should be connected across VCC and GND. SCL and SDA are pulled up to this voltage, so VCC should match the logic level voltage of your I²C bus. VCC powers the ACS37800 through the on-board isolated DC-DC power module, which provides a regulated 3.3 V supply to the sensor, and the on-board I²C isolator also acts as a level shifter between the external I²C voltage level and the 3.3 V used by the sensor. This secondary layer of isolation makes it less likely for safety and measurement accuracy to be inadvertently compromised, such as if the board’s logic supply shares a ground with the system being measured.

An additional pin, EN, is brought out to the 0.1″-pitch through-holes. This is the enable input for the isolated power module and is pulled up to enable it by default. EN can be driven low to disable the board’s logic power and put it into a low-power state (note that the part of the circuit powered by VCC on the external side of the isolation barrier is not powered down).

You can make connections to the bare carrier board in a variety of ways. The largest through-holes are 4 mm in diameter with 12.5 mm spacing. These can be used with #6 or M3.5 screws for attaching various types of lugs or solderless ring terminals, or thick wires up to 10 AWG can be soldered directly to the board. The slots above the large through-holes can accommodate a 4-pin terminal block or other connector with a pitch between 9.5 mm and 12 mm. We offer versions of this board with a soldered terminal block, the Amphenol YK4410403000G, which is rated up to 300V; another example of a compatible terminal block is the Eaton CB30220407, which is rated up to 600V. Holes with 0.1″ and 0.2″ (5 mm) spacing are also available for connecting male header pins or terminal blocks, but please note that these smaller connection options are generally not suitable for high currents like those this sensor is intended for.

ACS37800KMACTR-030B3-I2C carrier shown with optional 9.5mm-pitch terminal block (e.g. Amphenol YK4410403000G).

ACS37800KMACTR-030B3-I2C carrier shown with optional 11.1mm-pitch terminal block (e.g. Eaton CB30220407).

Creepage and high voltage considerations

This product is not designed to or certified for any particular high-voltage safety standard. The PCB traces are laid out to provide at least 5 mm of creepage between the high-voltage input lines and 4 mm across each of the two high-voltage, 1206-size resistors that has an isolation slot routed under it. The secondary isolation to the I²C user interface also has creepage of greater than 4 mm. A rough rule of thumb is that uncontaminated FR4 PCBs should have approximately 1 mm of creepage per 100 VRMS of isolation.

Warning: This product is not designed to or certified for any particular high-voltage safety standard. Working with higher voltages can be extremely dangerous and should only be attempted by qualified individuals with appropriate equipment and experience.

Voltage measurement ranges

The carrier board has two surface-mount jumpers that can be used to configure one of three different voltage measurement ranges for the ACS37800. These ranges are optimised for measuring 120 V, 240 V, and 480 VAC RMS (root mean square). To facilitate over-voltage detection, each range can handle an instantaneous voltage roughly 40% higher than the nominal peak voltage (or twice the nominal RMS voltage) before the sensor’s output saturates.

Voltage measurement range jumpers on the ACS37800KMACTR-030B3-I2C Power Monitor Carrier with Secondary I²C Isolation.

Jumpers closed Nominal VRMS range Maximum VRMS Maximum VPK or VDC RSENSE
none 120 VRMS 170 VRMS 245 V 4 kΩ
left 240 VRMS 345 VRMS 490 V 2 kΩ
both 480 VRMS 690 VRMS 980 V 1 kΩ

By default, both jumpers are open and the 120 VRMS range is selected, unless you have the version of the board with a soldered terminal block and jumpers pre-configured for 240 VRMS.

The board has two 1 MΩ isolation resistors in series between each voltage sensing terminal (IP+ and V−) and the corresponding sense input pin on the ACS37800 (VINP and VINN), for a total RISO of 4 MΩ. See the ACS37800 datasheet for details on converting the sensor’s raw readings into actual voltages based on RSENSE and RISO.

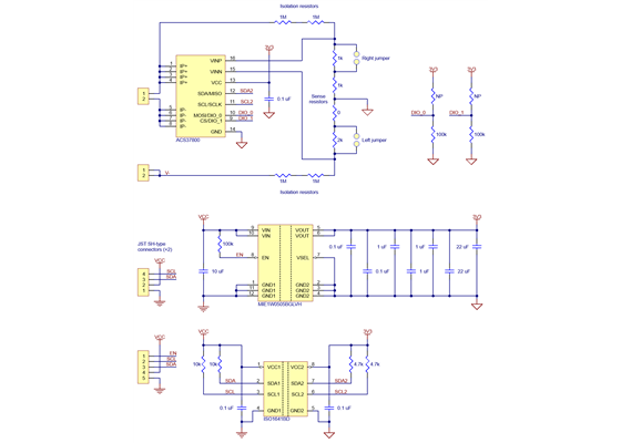
Schematic and dimension diagrams

Schematic diagram for the ACS37800KMACTR-030B3-I2C Power Monitor Carrier.

Real-world power dissipation considerations

Thermal image of a high-current test of a Pololu current sensor carrier (not necessarily this product).

The ACS37800KMACTR-030B3-I2C can measure up to ±30 A. In our tests, we found that our carrier board could conduct 30 A continuously without reaching the thermal limit for the IC. Our tests were conducted at approximately 25°C ambient temperature with no forced air flow.

The actual current you can pass through the sensor will depend on how well you can keep it cool. The carrier’s printed circuit board is designed to help with this by drawing heat out of the sensor chip. Solid connections to the current path pins (such as with thick soldered wires or large, tightly-secured lugs) can also help reduce heat build-up in the sensor and carrier board.

Warning: Exceeding temperature or current limits can cause permanent damage to the sensor. If you are measuring an average continuous current greater than 20 A, we strongly recommend that you monitor the sensor’s temperature and look into additional cooling if necessary.

This product can get hot enough to burn you long before the chip overheats. Take care when handling this product and other components connected to it.

Example code

We have written a basic ACS37800 power monitoring library for Arduino that makes it easy to use this sensor with an Arduino or Arduino-compatible board like an A-Star.

Comparison of the Pololu current sensor carriers

We have a variety of current sensors available with different ranges, sensitivities, and features. The table below summarizes our selection of active and preferred options:



CT220 ContactlessCurrent SensorCarriers ACS3704xCurrent SensorMicro Carriers ACS3704xCurrent SensorCompact Carriers ACS711 CurrentSensor Carriers ACS71240 CurrentSensor Carriers ACS724 CurrentSensor Carriers ACS37030Current SensorCompact Carriers ACS37220Current SensorCompact Carriers
Allegro Sensor CT220xMV-HS5 ACS3704x ACS711KEXT ACS71240 ACS724LLCTR ACS37220 ACS37030
Sensing technology XtremeSense™
TMR (tunneling magnetoresistance)
Hall effect Hall effect Hall effect Hall effect Hall effect + inductive coil Hall effect
Logic voltage range 2.7–5.5 V 3.3V versions: 3.0–3.6 V
5V versions: 4.75–5.5 V
3.0–5.5 V 3.3V ver: 3.0–3.6 V
5V ver: 4.5–5.5 V
4.5–5.5 V 3.0–3.6 V 3.3V ver: 3.15–3.45 V
5V ver: 4.5–5.5 V
Family current range 10–800 A 10–30 A 15.5–31 A 10–50 A 2.5–50 A 20–65 A 100–200 A
Range/sensitivity of individual versions (2)
±1.5 mT / 1500 mV/mT
±15 mT / 150 mV/mT
ACS37041:

3.3V Bidirectional:
±10 A / 132 mV/A
±30 A / 44 mV/A

5V Bidirectional:
±10 A / 200 mV/A
±30 A / 66.7 mV/A


ACS37042:

3.3V Bidirectional:
±10 A / 132 mV/A
±30 A / 44 mV/A

5V Bidirectional:
±10 A / 200 mV/A
±30 A / 66.7 mV/A
ACS37041:

3.3V Bidirectional:
±10 A / 132 mV/A
±30 A / 44 mV/A

5V Bidirectional:
±10 A / 200 mV/A
±30 A / 66.7 mV/A


ACS37042:

3.3V Bidirectional:
±10 A / 132 mV/A
±30 A / 44 mV/A

5V Bidirectional:
±10 A / 200 mV/A
±30 A / 66.7 mV/A
Bidirectional:(1)
±15.5 A / 90 mV/A
±31 A / 45 mV/A
3.3V Bidirectional:
±10 A / 132 mV/A
±30 A / 44 mV/A
±50 A / 26.4 mV/A

5V Bidirectional:
±10 A / 200 mV/A
±30 A / 66 mV/A
±50 A / 40 mV/A

5V Unidirectional:
0–⁠50 A / 80 mv/A
5V Bidirectional:(2)
±2.5 A / 800 mV/A
±5 A / 400 mV/A
±10 A / 200 mV/A
±20 A / 100 mV/A
±30 A / 66 mV/A
±50 A / 40 mV/A

5V Unidirectional:(2)
0–⁠5 A / 800 mv/A
0–⁠10 A / 400 mv/A
0–⁠20 A / 200 mv/A
0–⁠30 A / 133 mV/A
3.3V Bidirectional:
±20 A / 66 mV/A
±40 A / 33 mV/A
±65 A / 20.3 mV/A
3.3V Bidirectional:
±100 A / 13.2 mV/A
±150 A / 8.8 mV/A

5V Bidirectional:
±100 A / 20 mV/A
±150 A / 13.3 mV/A
±200 A / 10 mV/A
IC current path resistance N/A 1.6 mΩ 0.6 mΩ 0.6 mΩ 0.6 mΩ 0.7 mΩ 0.1 mΩ
PCB N/A 2 layers,
1-oz copper
2 layers,
2-oz copper
2 layers,
2-oz copper
2 layers,
2-oz copper
2 layers,
2- or 4-oz copper(3)
2 layers,
2-oz copper
2 layers,
2-oz copper
Max bandwidth 30 kHz 150 kHz 100 kHz 120 kHz 120 kHz(4) 5 MHz 150 kHz
Size 0.4″ × 0.62″ 0.3″ × 0.4″ 0.7″ × 0.8″ 0.7″ × 0.8″ 0.7″ × 0.8″ 0.7″ × 0.8″ 0.7″ × 0.8″ 0.7″ × 0.8″
Overcurrent
fault output
User-configurable threshold
Common-mode field rejection
Nonratiometric output
1-piece price $4.95 $4.15$4.69 $4.45$4.99 $4.85 $5.25 $9.95$11.49 $11.95 $6.95

Note 1: Sensitivity when Vcc = 3.3 V; actual sensitivity is ratiometric (i.e. it is proportional to Vcc).
Note 2: Sensitivity when Vcc = 5 V; actual sensitivity is ratiometric (i.e. it is proportional to Vcc).
Note 3: 50A version of this carrier uses 4-oz copper PCB; all other versions of this carrier use 2-oz copper.
Note 4: Bandwidth can be reduced by adding a filter capacitor.

ACS37030Current SensorCompact Carriers ACS37030Current SensorLarge Carriers CT432/CT433 TMRCurrent SensorCompact Carriers CT432/CT433 TMRCurrent SensorLarge Carriers ACS72981Current SensorCompact Carriers ACS72981Current SensorLarge Carriers ACS37220Current SensorCompact Carriers ACS37220Current SensorLarge Carriers
Allegro Sensor ACS37030 CT432/CT433 ACS72981xLR ACS37220
Sensing technology Hall effect + inductive coil XtremeSense™ TMR
(tunneling magnetoresistance)
Hall effect Hall effect
Logic voltage range 3.0–3.6 V 3.3V versions: 3.0–3.6 V
5V versions: 4.75–5.5 V
3.3V versions: 3.0–3.6 V
5V versions: 4.5–5.5 V
3.3V versions: 3.15–3.45 V
5V versions: 4.5–5.5 V
Family current range 20–65 A 20–70 A 50–200 A 100–200 A
Range/sensitivity of individual versions 3.3V Bidirectional:
±20 A / 66 mV/A
±40 A / 33 mV/A
±65 A / 20.3 mV/A
3.3V Bidirectional:
±40 A / 33 mV/A
±65 A / 20.3 mV/A
3.3V Bidirectional:
±20 A / 50 mV/A
±30 A / 33.3 mV/A
±50 A / 20 mV/A
±70 A / 14.3 mV/A

3.3V Unidirectional:
0–⁠20 A / 100 mv/A
0–⁠30 A / 66.7 mv/A
0–⁠50 A / 40 mv/A
0–⁠65 A / 30.8 mv/A

5V Bidirectional:
±20 A / 100 mV/A
±30 A / 66.7 mV/A
±50 A / 40 mV/A
±65 A / 30.8 mV/A

5V Unidirectional:
0–⁠20 A / 200 mv/A
0–⁠30 A / 133.3 mv/A
0–⁠50 A / 80 mv/A
0–⁠70 A / 57.1 mv/A
3.3V Bidirectional:
±50 A / 20 mV/A
±70 A / 14.3 mV/A

3.3V Unidirectional:
0–⁠50 A / 40 mv/A
0–⁠65 A / 30.8 mv/A

5V Bidirectional:
±50 A / 40 mV/A
±65 A / 30.8 mV/A

5V Unidirectional:
0–⁠50 A / 80 mv/A
0–⁠70 A / 57.1 mv/A
3.3V Bidirectional:(1)
±50 A / 26.4 mV/A
±100 A / 13.2 mV/A
±150 A / 8.8 mV/A
±200 A / 6.6 mV/A

3.3V Unidirectional:(1)
0–⁠50 A / 52.8 mv/A
0–⁠100 A / 26.4 mv/A
0–⁠150 A / 17.6 mv/A
0–⁠200 A / 13.2 mv/A

5V Bidirectional:(2)
±50 A / 40 mV/A
±100 A / 20 mV/A
±150 A / 13.3 mV/A
±200 A / 10 mV/A

5V Unidirectional:(2)
0–⁠50 A / 80 mv/A
0–⁠100 A / 40 mv/A
0–⁠150 A / 26.7 mv/A
3.3V Bidirectional:(1)
±50 A / 26.4 mV/A
±100 A / 13.2 mV/A
±150 A / 8.8 mV/A
±200 A / 6.6 mV/A

3.3V Unidirectional:(1)
0–⁠50 A / 52.8 mv/A
0–⁠100 A / 26.4 mv/A
0–⁠150 A / 17.6 mv/A
0–⁠200 A / 13.2 mv/A

5V Bidirectional:(2)
±50 A / 40 mV/A
±100 A / 20 mV/A
±150 A / 13.3 mV/A
±200 A / 10 mV/A

5V Unidirectional:(2)
0–⁠50 A / 80 mv/A
0–⁠100 A / 40 mv/A
0–⁠150 A / 26.7 mv/A
3.3V Bidirectional:
±100 A / 13.2 mV/A
±150 A / 8.8 mV/A

5V Bidirectional:
±100 A / 20 mV/A
±150 A / 13.3 mV/A
±200 A / 10 mV/A
3.3V Bidirectional:
±100 A / 13.2 mV/A
±150 A / 8.8 mV/A

5V Bidirectional:
±100 A / 20 mV/A
±150 A / 13.3 mV/A
±200 A / 10 mV/A
IC current path resistance 0.7 mΩ 1 mΩ 0.2 mΩ 0.1 mΩ
PCB 2 layers,
2-oz copper
6 layers,
2-oz copper
2 or 4 layers(3),
2-oz copper
6 layers,
2-oz copper
6 layers,
2-oz copper
6 layers,
2-oz copper
2 layers,
2-oz copper
6 layers,
2-oz copper
Max bandwidth 5 MHz 1 MHz 250 kHz 150 kHz
Size 0.7″ × 0.8″ 1.4″ × 1.2″ 0.8″ × 1.1″ 1.4″ × 1.2″ 0.7″ × 0.8″ 1.4″ × 1.2″ 0.7″ × 0.8″ 1.4″ × 1.2″
Overcurrent
fault output
User-configurable threshold
Common-mode field rejection
Nonratiometric output
1-piece price $11.95 $14.95 $12.95 $16.95 $13.95 $16.95 $6.95 $10.95

Note 1: Sensitivity when Vcc = 3.3 V; actual sensitivity is ratiometric (i.e. it is proportional to Vcc).
Note 2: Sensitivity when Vcc = 5 V; actual sensitivity is ratiometric (i.e. it is proportional to Vcc).
Note 3: 50A and higher versions of this carrier use a 4-layer PCB; all other versions of this carrier use a 2-layer PCB.

You can also use the following selection box to see these options sorted by current range:

Alternatives available with variations in these parameter(s): current range Select variant…


Specifications

Dimensions

Size: 1.8″ × 1.9″ × 0.23″
Weight: 8 g

General specifications

Minimum logic voltage: 3 V
Maximum logic voltage: 5.5 V

Identifying markings

PCB dev codes: cs10a
Other PCB markings: 0J15398

Resources

File downloads

Recommended links

Related Products