Adafruit CC3000 Wi-Fi Breakout Board with Onboard Ceramic Antenna

This breakout board from Adafruit features TI’s CC3000 Wi-Fi module on a compact, breadboard-compatible PCB with an onboard ceramic antenna. The CC3000 uses SPI for communication instead of UART, so the communication speed is not limited to a fixed baud rate.


Description

CC3000 introduction

Overview

Adafruit CC3000 Wi-Fi breakout board, bottom view with quarter for size reference

The Adafruit CC3000 WiFi breakout board (v1.1) is based on the CC3000 Wi-Fi module from TI. The onboard ceramic antenna, breadboard-compatible design, and the Adafruit CC3000 Arduino library (compatible with Arduino Micro, Leonardo, Uno, and Mega as well as our Arduino-compatible A-Star controllers) allow for easy integration into embedded projects. The CC3000 uses SPI for communication instead of UART, so the communication speed is not limited to a fixed baud rate. It supports 802.11b/g, open/WEP/WPA/WPA2 security, TKIP, and AES. A built-in TCP/IP stack with a BSD socket interface supports TCP and UDP in client and server mode with up to 4 concurrent socket connections. The board also has a tri-state buffer on the MISO pin to allow the use of the CC3000 with other SPI devices on the same bus. We carry the Adafruit CC3000 Wi-Fi shield for Arduino with onboard ceramic antenna.

Note: The CC3000 does not support “AP” mode; it can connect to an access point, but it cannot be an access point.

For documentation and resources to help you use the CC3000 Wi-Fi breakout board, including tutorials, see the guide on Adafruit’s site.

Features

  • Features CC3000 Wi-Fi module from TI
  • Uses SPI for communication
  • Integrated 3.3 V regulator
  • Integrated level shifter
  • Tri-state buffer on the MISO pin
  • Comprehensive Adafruit CC3000 Wi-Fi guide
  • Adafruit CC3000 Arduino library with examples to help get you started quickly
  • Onboard ceramic antenna
  • Two mounting holes
  • Compact with 0.1″-pitch holes that are compatible with standard solderless breadboards and perfboards

Included hardware

The board ships with all of its surface-mount parts populated. However, soldering is required for assembly of the included 0.1″ male headers.

Adafruit CC3000 Wi-Fi breakout board, top view with included hardware

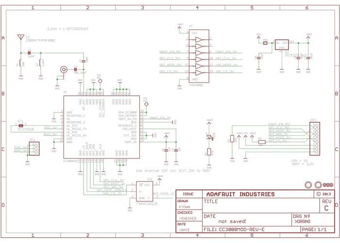
Schematic diagram

Adafruit CC3000 Wi-Fi Breakout Board schematic diagram

Note: This product is Adafruit product ID 1469.


Specifications

Dimensions

Size: 1.6″ × 1.0″
Weight: 3.5 g1

Notes:

1
Without included headers.

Resources

File downloads

Datasheet for CC3000 Wi-Fi module from TI (676k pdf)
Adafruit CC3000 Wi-Fi Breakout Board schematic diagram (41k png)
Printable schematic diagram for the Adafruit CC3000 Wi-Fi Breakout Board (v1.1) with Onboard Ceramic Antenna.

Recommended links

Adafruit CC3000 library
Arduino library for the Adafruit CC3000 Wi-Fi shield and breakout board.
Adafruit CC3000 Wi-Fi guide
This comprehensive guide contains documentation and resources for using the CC3000 Wi-Fi shield for Arduino and CC3000 breakout board by Adafruit.
Adafruit Shield Compatibility Guide
This guide lists the Arduino boards that are compatible with each of their Adafruit’s shields.
Texas Instruments CC3000 product page
Texas Instruments product page for the CC3000, where you can find the latest datasheet and additional resources.