Pololu Orangutan SV-328 Robot Controller

The Pololu Orangutan SV-328 is a full featured robot controller powered by an Atmel ATmega328P AVR microcontroller. With built in motor drivers, buttons, LED's, buzzer and removable LCD display this controller get's your robot built quickly.




Overview

Overview

Want to build a small robot that doesn’t look like a PCB on wheels? The Orangutan is small enough for integrating into a small robot, rather than being the small robot. With Atmel’s powerful ATmega328P AVR microcontroller, motor drivers, buttons, display, and buzzer, all you need to add is your own chassis, sensors, software… you know, the fun stuff!

The Orangutan SV-328 robot controller is a complete control solution for small robots running at 6 – 13.5 V. The small (2.15" x 1.9" / 55mm x 48mm) module includes a powerful Atmel ATmega328P AVR microcontroller, two bidirectional motor ports each capable of providing 1 A (continuous), a removable 8-character x 2-line liquid crystal display, a buzzer, three user pushbutton switches, and two user LEDs. Now that will save construction time!

Eight general-purpose I/O lines with up to eight analog input channels allow for adding sensors or expanding the system. These lines are brought out to 0.1" female headers as shown in the picture below; from left to right, the bottom row of pins are: PC5, PC4, PC3, PC2, PC1, PC0, PD1 and PD0. The Orangutan SV-328 features a 5V switching regulator capable of delivering up to 3 A, allowing the Orangutan to power RC servos directly from its regulated 5V power bus. This power bus can be accessed through the power and ground pins dedicated to each user I/O line.

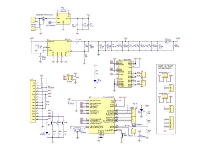
Orangutan SV-328 top view with components labeled
(Click for a larger view)

The Orangutan SV-328 is based on Atmel’s mega328 AVR microcontroller, which runs at 20 MHz and features 32 Kbytes of flash program memory, 2 Kbytes of SRAM, and 1024 bytes of EEPROM. Because the user has direct access to the microcontroller, any development software for Atmel’s AVR microcontrollers, including Atmel’s free AVR Studio and the WinAVR GCC C/C++ compiler, is compatible with the Orangutan SV-328. An in-circuit programmer, such as our USB AVR programmer, is required for programming the Orangutan SV-328. Pololu provide an extensive set of software libraries that make it easy to interface with all of the integrated hardware. These libraries come with a number of sample programs that demonstrate how to use the various components on the Orangutan SV-328. This robot controller is also compatible with the popular Arduino development platform.

 Specifications & On-Board Hardware
 

  • overall unit dimensions: 2.15" x 1.9"
  • input voltage: 6-13.5 V
  • 2 bidirectional motor ports (1 A continuous per channel, 3 A maximum per channel)
  • programmable 20 MHz Atmel ATmega328P AVR microcontroller (32 KB flash, 2 kB SRAM, 1024 bytes EEPROM)
  • 8 general-purpose I/O lines, 6 of which can be used as analog input channels
  • 2 additional analog input channels (ADC6 & ADC7) can be accessed on the board
  • removable 8-character x 2-line LCD
  • 5V regulator capable of supplying up to 3 A
  • buzzer tied to one of the mega328’s hardware PWMs
  • 3 user pushbutton switches
  • 2 user LEDs
  • battery voltage self-monitoring optionally connected to ADC6
  • user potentiometer optionally jumpered to ADC7

Improvements over the Original Orangutan

With the Orangutan SV-328 Pololu have introduced a number of substantial improvements over the original Orangutan, the most significant of which is the enhanced power system that allows an expanded operating range of 6 – 13.5 V (meaning you can power the Orangutan SV-328 from a 12 V battery), delivers higher motor current, and has much more available current on the 5 V line. The following list details the major changes:

  • TB6612FNG motor driver delivers higher current with higher-frequency PWM and decreased power consumption.
  • Hardware PWM outputs now connect to all motor driver inputs, removing the need for processor-intensive software PWM.
  • Input voltage can now be as high as 13.5 V.
  • The integrated 5 V regulator can supply up to 3 A, allowing this version to power servos and other high-power peripherals for which the battery voltage would be too high.
  • The MCU has been upgraded to an ATmega328 running at 20 MHz, and the pin connections have changed to match that of the Orangutan LV-168, the Baby Orangutan B, and the 3pi robot, so the same code will generally work on all four devices. The form factor of the Orangutan SV-328 is identical to that of the Orangutan LV-168.
  • Reverse battery protection is now achieved using a MOSFET instead of a diode, so the input voltage no longer experiences a diode drop.
  • The main power switch now turns off power to the entire board.

Specifications

Dimensions

Size: 2.15" x 1.90" / 58mm x 48mm
Weight: 35 g

General specifications

Processor: ATmega328 @ 20 MHz
RAM size: 2048 bytes
Program memory size: 32 Kbytes
Motor driver: TB6612FNG
Motor channels: 2
User I/O lines: 8(1)
Max current on a single I/O: 40 mA
Minimum operating voltage: 6 V
Maximum operating voltage: 13.5 V
Continuous output current per channel: 1 A
Peak output current per channel: 3 A
Maximum PWM frequency: 80 kHz
Reverse voltage protection?: Y
External programmer required?: Y
LCD included?: Y

Notes:

1
All 8 can be used as digital I/Os and 6 can be used as analog inputs. Two additional dedicated analog inputs can be accessed on the PCB if their jumper connections to optional hardware are removed.

Resources

Please see Pololu's resources page for the Orangutan SV-328 microcontroller. There is a huge amount of well written documentation, sample code and other resources!