RobustMotion RM-EGB Series 24VDC Compact Finger Gripper, 20D, PNP + RS-485 Interface

This gripper fits small cobots such as the Dobot MG400 . The simple PNP-type PLC interface can connect directly to the MG400 I/O ports, and it can be mounted using a simple 3D-printed adaptor. Additionally, this version of the gripper supports Modbus RTU over RS-485.

This gripper fits small cobots such as the Dobot MG400. The simple PNP-type PLC interface can connect directly to the MG400 I/O ports, and it can be mounted using a simple 3D-printed adapter. Additionally, this version of the gripper supports Modbus RTU over RS-485. The gripper weighs 320 g (390 g including cable), has a max stroke of 10 mm (both fingers combined), and has a maximum gripping force of 80 N.


Description

Overview

The compact RM-EGB Series grippers from RobustMotion operate by sliding a pair of fingers together or apart laterally to grip and release. These fingers, which are designed to serve as mounting points for customised (e.g. 3D-printed) extensions, are able to exert consistent force in both directions, allowing them to grab parts internally (by opening into a gap) or externally (by clamping down) with missed pickup and dropped part detection.

Size comparison of the RobustMotion RM-EGB Series 16D (left) and 20D (right) Grippers.

These grippers are available in two different sizes and each size is available with or without an RS-485 interface (see comparison table below). They fit small collaborative robots (cobots) such as the Dobot MG400, and operate at 24 VDC, which can be supplied from the MG400. The simple PNP-type PLC interface can connect directly to the MG400 I/O ports. A simple 3D-printed adaptor (139k STEP) can be used to mount a gripper to the MG400 arm.

RobustMotion RM-EGB gripper:
#5403:
16D, simple PNP

#5404:
16D, PNP + RS-485

#5405:
20D, simple PNP

#5406:
20D, PNP + RS-485
PNP-type PLC interface:
RS-485 Modbus RTU interface:
Rated Voltage: 24 V (±10%)
Rated Current: 0.3 A 0.4 A
Peak Current: 0.6 A 0.8 A
Max. gripping force: 60 N
(±15%)
80 N
(±15%)
Stroke: 6 mm 10 mm
Repeat positioning accuracy: ±0.02 mm
Max. opening/closing time: 0.1 s 0.18 s
Size: 23.5 × 38 × 98 mm 27.6 × 50 × 108 mm
Weight: 220 g 320 g
Protection Class: IP40
Price: $275.00 $439.00 $315.00 $479.00


Details for item #5406

This is the larger of the two available gripper sizes, with a max stroke of 10 mm (both fingers combined) and a maximum gripping force of 80 N. It supports Modbus RTU over RS-485 (in addition to the PNP-type PLC interface).

The gripper can cover its full 10 mm stroke length in under 0.18 s. In addition to the fully open and fully closed extremes, the simple PNP-type PLC interface offers two preset intermediate positions (at 4 mm and 8 mm) that are achievable with ±0.02 mm repeatability, and the grip strength can be controlled by selecting from four preset force levels up to 80 N. The RS-485 interface gives more precise control of the position (0% to 100%) and force (25% to 100%). See the RM-EGB user’s manual (2MB pdf) for more information.

RobustMotion RM-EGB Series 20D Gripper mounted to a Dobot MG400 Robot Arm with a 3D-printed adapter.

  • RobustMotion part number: RM-EGB-06L-20D-1-D0200-PRTU
  • 3 PNP inputs and 3 PNP outputs for direct connection to a PNP-type PLC:
    • Four preset stroke positions: 0, 4, 8, and 10 mm
    • Four preset gripping force levels: 25%, 50%, 75%, and 100%
  • RS-485 interface:
    • Full position control from 0% to 100%
    • Force levels from 25% to 100%
  • Operating voltage: 24 VDC
  • Peak current: 0.8 A
  • Maximum gripping force: 80 N
  • Maximum stroke length: 10 mm
  • Repeat positioning accuracy of ±0.02 mm
  • Maximum opening/closing time: 0.18 s over the full 6mm range
  • Capable of gripping internally or externally with consistent force output and detection of missed pickup/dropped part
  • Size: 27.6 × 50 × 108 mm (1.09″ × 1.97″ × 4.25″)
  • Cable length: 200 cm (75″)
  • Weight: 320 g (390 g including the cable)

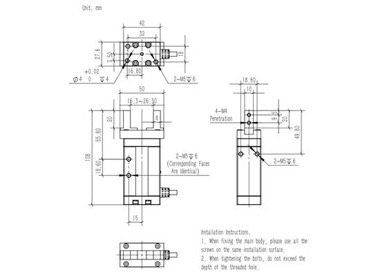
Dimensions

Dimensions (in mm) of the RobustMotion RM-EGB Series 20D Gripper.

Connections

Pinout of the RobustMotion RM-EGB Series Compact Finger Gripper. Note: pins 9 and 10 (DSW+/-) are only used on the RS-485 interface versions.

Close-up of the RobustMotion RM-EGB Series 24VDC Compact Finger Gripper connector.

The grippers have a 200 cm (80″) cable with ten conductors terminating in a 12-pin, 2mm-pitch A2008H-12P connector. RobustMotion recommends cutting the connector off and using the individual wires.

The RobustMotion RM-EGB Series 20D Gripper has a 200 cm cable.


Specifications

Dimensions

Size: 27.6 × 50 × 108 mm (1.09″ × 1.97″ × 4.25″)
Weight: 320 g1

General specifications

Interface: simple PNP + RS-485
Voltage: 24 V
Lead length: 200 cm
Version: 20D

Notes:

1
390 g including cable.

Resources

Related Products