Magnetic Encoder Pair Kit for Micro Metal Gearmotors, 12 CPR, 2.7-18V (old version)

Add quadrature encoders to your LP, MP, or HP micro metal gearmotors (extended back shaft version required) with this kit that uses a magnetic disc and hall effect sensors to provide 12 counts per revolution of the motor shaft.


Description

Note: This encoder is not compatible with our HPCB micro metal gearmotors (the HPCB motor terminals are too large to fit the corresponding PCB holes), but it is compatible with the LP, MP, and HP versions of our micro metal gearmotors. We have released a new version of this board that enlarges the motor terminal holes so they are compatible with all our micro metal gearmotors. The new version is functionally identical to this older version and can serve as a drop-in replacement. We will be discontinuing this product when the remaining stock is gone.

Magnetic Encoder Kit for Micro Metal Gearmotors (old version; not compatible with HPCB micro metal gearmotors)

Magnetic Encoder Kit for Micro Metal Gearmotors (HPCB compatible)

Overview

This kit includes two dual-channel Hall Effect sensor boards and two 6-pole magnetic discs that can be used to add quadrature encoding to two micro metal gearmotors with extended back shafts (motors are not included with this kit). The encoder board senses the rotation of the magnetic disc and provides a resolution of 12 counts per revolution of the motor shaft when counting both edges of both channels. To compute the counts per revolution of the gearbox output shaft, multiply the gear ratio by 12.

Magnetic Encoder Kit for Micro Metal Gearmotors assembled on a micro metal gearmotor with extended motor shaft

This compact encoder solution fits within the 12 mm × 10 mm cross section of the motors on three of the four sides, and it only extends 0.6 mm past the edge of the quarter side (note: if you need it to be flush with that last side, you can carefully grind the board down a little and solder to the remaining half-holes). The assembly does not extend past the end of the extended motor shaft, which protrudes 5 mm beyond the plastic end cap on the back of the motor.

Magnetic Encoder Kit for Micro Metal Gearmotors assembled on a micro metal gearmotor with extended motor shaft (1)

Magnetic Encoder Kit for Micro Metal Gearmotors assembled on a micro metal gearmotor with extended motor shaft (2) (2)

Note: This sensor system is intended for users comfortable with the physical encoder installation. It only works with micro metal gearmotors that have extended back shafts.

Pinout and installation

The encoder board is designed to be soldered directly to the back of the motor, with the back shaft of the motor protruding through the hole in the middle of the circuit board. One way to achieve good alignment between the board and the motor is to tack down the board to one motor pin and to solder the other pin only when the board is flat and well aligned. Be careful to avoid prolonged heating of the motor pins, which could deform the plastic end cap of the motor or the motor brushes. Once the board is soldered down to the two terminals, the motor leads are connected to the M1 and M2 pads along the edge of the board; the remaining four pads are used to power the sensors and access the two quadrature outputs:

Magnetic Encoder Kit for Micro Metal Gearmotors (old version), magnet-side view of PCB with labeled pinout

Magnetic Encoder Kit for Micro Metal Gearmotors, 12 CPR, 2.7-18V (old version), motor-side view of PCB with dimensions

The sensors are powered through the VCC and GND pins. VCC can be 2.7 V to 18 V, and the quadrature outputs A and B are digital signals that are either driven low (0 V) by the sensors or pulled to VCC through 10 kΩ pull-up resistors, depending on the applied magnetic field. The sensors’ comparators have built-in hysteresis, which prevents spurious signals in cases where the motor stops near a transition point.

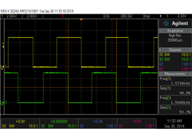
Encoder A and B outputs of a magnetic encoder on a high-power (HP) micro metal gearmotor running at 6 V

The board’s six pads have a 2 mm pitch, so they do not work with common 0.1″ connectors. One option for connecting to the board is to solder in individual wires, such as in the example below:

Magnetic Encoder Kit for Micro Metal Gearmotors assembled with ribbon cable wires

Alternatively, you can solder a 2mm-pitch connector to the board. The examples below show a male header, which gives you the option of making a detachable cable terminated by a 6-pin 2mm-pitch female header. If the pins are angled over the motor, as shown in the picture below, they will just barely protrude through the holes in the board. Note that in this orientation, there is room to plug in a female header even when our extended micro metal gearmotor bracket is being used.

Magnetic Encoder Kit for Micro Metal Gearmotors assembled with 2mm-pitch male header pins installed over the motor

If the pins are pointed away from the motor, they will need to be angled so that they sufficiently clear the magnetic disc. With a decent soldering iron, it is possible to solder them in this orientation even after the encoder has been installed on the motor.

Magnetic Encoder Kit for Micro Metal Gearmotors assembled with 2mm-pitch male header pins installed over the magnetic disc

Once the board is soldered to the motor, the magnetic encoder disc can be pushed onto the motor shaft. One easy way to accomplish this is to press the motor onto the disc while it is sitting on a flat surface, pushing until the shaft makes contact with that surface. The size of the gap between the encoder disc and the sensor board does not have a big impact on performance as long as the motor shaft is at least all the way through the disc.

Schematic diagram

Magnetic Encoder Kit for Micro Metal Gearmotors schematic diagram

This schematic is also available as a downloadable pdf (125k pdf).


Specifications

Dimensions

Size: 10.6 mm × 11.6 mm1
Weight: 1.0 g2

General specifications

Minimum operating voltage: 2.7 V
Maximum operating voltage: 18 V

Identifying markings

PCB dev codes: enc03a
Other PCB markings: 0J8482

Notes:

1
The assembled encoder will extend 5 mm beyond the plastic motor end cap (it fits entirely within the length of the extended motor shaft).
2
Weight of full set. Each encoder board weighs ~0.2 g and each magnet disc weighs ~0.3 g.

Resources

File downloads

Magnetic Encoder Kit for Micro Metal Gearmotors schematic diagram (125k pdf)
Printable schematic for Magnetic Encoder Kit for Micro Metal Gearmotors.
Infineon TLE4946-2K Hall Effect sensor datasheet (1MB pdf)