Solarbotics GM7 120:1 Mini Gear Motor 90 deg. Output

The Solarbotics GM7 gearmotor with 90-degree output is a compact, 120:1 gearmotor (gearbox with brushed DC motor) that is well-suited for use in small robots.


Description

Note: We now have a similar, slightly less expensive version of this motor: the Pololu 120:1 mini plastic gearmotor. We also have a version with a 3mm-diameter D-shaft that works with our large selection of Pololu wheels.

This 120:1 gearmotor (gearbox with brushed DC motor) is very compact and weighs only 0.7 ounces (20 grams) — perfect for building a quick, miniature robot.

This gearmotor starts rotation at 0.58 V, drawing only 46.5 mA at 7 RPM. At 5 V, the gearbox and motor provide 20 oz-in of torque and 145 RPM. The free-running current is 88 mA, and the stall current is 610 mA. The low-current motor is a perfect match for our qik 2s9v1 dual serial motor controller.

This gearmotor comes pre-assembled, with the gears fully enclosed. A clutch limits the output torque to approximately 25 oz-in (which is produced at 6.5 V, drawing 650 mA) to protect the gearbox and motor. The unit has one mounting hole, and the chrome-finish output shaft is splined with a 0.08" (2 mm)-crest diameter.

A custom plastic wheel is available for this gearmotor, as well as a LEGO wheel adaptor that allows it to be used with a variety of LEGO wheels.

For a version of this gearmotor with the output shaft parallel to the motor shaft, see the GM6 gearmotor. For a similar but larger gearmotor, see the GM3 gearmotor (224:1) and the GM9 gearmotor (143:1).

Specifications

  • Description: Mini 90-degree
  • Gear ratio: 120:1
  • 3 V Operation:
    • No-load RPM: ~ 75
    • No-load current: ~ 80 mA
    • Stall current: ~ 310 mA
    • Stall torque: ~ 13.6 oz-in
  • 6 V Operation:
    • No-load RPM: ~ 146
    • No-load current: ~ 92 mA
    • Stall current: ~ 525 mA
    • Stall torque: ~ 23.8 oz-in
  • Weight: 19 g

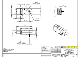
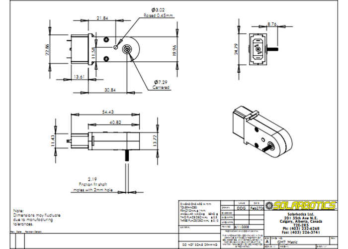
Solarbotics GM7 gearmotor dimensions (in mm).

You can download a pdf version of this drawing with imperial dimensions (113k pdf) or metric dimensions (113k pdf).

Though the product picture shows two gearmotors, this product is for a single motor.


Specifications

Dimensions

Size: 54.4 × 24.8 × 13.7 mm1
Weight: 19.00 g

General specifications

Gear ratio: 120:1
Free-run speed @ 6V: 146 rpm
Free-run current @ 6V: 92 mA
Stall current @ 6V: 524 mA
Stall torque @ 6V: 24 oz·in
Free-run speed @ 3V: 75 rpm
Free-run current @ 3V: 80 mA
Stall current @ 3V: 310 mA
Stall torque @ 3V: 14 oz·in

Notes:

1
See drawing for detailed dimensions.

Resources

Documentation and other information

Comparison of Solarbotics Gearmotors (GM Series)

Table comparing specifications for the Solarbotics GM motors that we carry.


File downloads

GM7 performance datasheet (160k pdf)
Dimensions (in) (113k pdf)
Dimension diagram for the Solarbotics GM7 gearmotor in inches.
Dimensions (mm) (113k pdf)
Dimension diagram for the Solarbotics GM7 gearmotor in millimeters.